Nanjing Jogen Electronic Technology Co.,Ltd
zhao 点击这里给我发消息 (+86)25-52716647
heng 点击这里给我发消息 (+86)15950544019
sales1@jogennj.com
Email 中文版  
RCB54A - Nanjing Jogen Electronic Technology Co.,Ltd, Connector,sensorsr,Potentiometers,Mould hardware,Wire and Cable
Home About us Foreign Connector Our Connector Transforme Wire and cable Hall sensor Potentiometer Injection mold hardware Contact us
>> Hall sensorClass <<
Hall sensors-closed loop
Hall sensors-open loop
Leakage sensors
Products > Hall sensors-closed loop
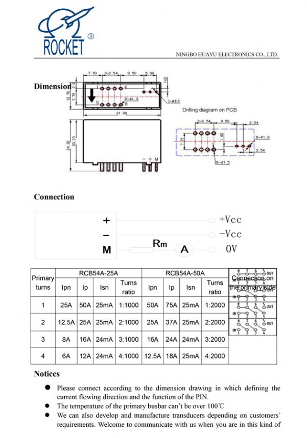
RCB54A

  • Name: RCB54A Series
  • NO.: RCB54A Series
  • Time: 2014-07-11
  • Views : 3
  • [Close]  [Back top]
    +86-25-52716647 +86-25-52716647

    Jiangning District,Nanjing city of Jiangsu Province

    sales1@jogennj.com
    Copyright © Nanjing Jogen Electronic Technology Co.,Ltd    Su ICP Bei 15007582-1